
TECHNO BROTHER
Опубликовал видос об уникальном телефоне российской разработки для сотрудников гос служб
Есть и вк видео для тех, кому лень включать впн:
Ответ user8528324 в «Чух-вжжж-вжжж-вжжж-вжжж и олдскулы свело»3
Аналого-цифровая автоматика и никаких микроконтроллеров на примере сушилки для рук
Автор текста: OldFashionedEngineer
Не могу сказать, что в ВУЗе я был закоренелым троечником, но единственное, что мне запомнилось из курса теории автоматического управления, что операционный усилитель с отрицательной обратной связью сам по себе уже является регулятором. Именно эту гипотезу я решил проверить, разрабатывая схему, которой посвящена статья.
Кроме регулятора на ОУ, схема содержит ШИМ-преобразователь на транзисторном источнике тока и компараторе для управления нагревателем и вентилятором, схему задержки на логических микросхемах, инфракрасный детектор дистанционного включения, схему индикации и, как обычно в моих проектах, ни одного микроконтроллера.
А если вы считаете, что регуляторы на операционных усилителях утратили свою актуальность, посмотрите современные методички некоторых вузов по ТАУ. ))
❯ Конструкция макета
Мое увлечение электроникой началось еще до того, как в широком обиходе появились радиоэлектронные компоненты для поверхностного монтажа (SMD). И их появление для меня стало манной небесной — это же сколько времени можно экономить радиолюбителю на сверлении бесконечного количества отверстий в печатной плате!
Достаточно давно я стараюсь обходиться без осевых компонентов. Но иногда находит тоска по былому и хочется помедитировать с пинцетом над формовкой гибких выводов и проволочных перемычек. Да и односторонние печатные платы не каждый день трассировать приходится. Именно это привело меня к разработке этой схемы.
Устройство представляет собой сушилку для рук, точно такую, как каждый может встретить во многих общественных местах. Общий вид печатной платы показан на фотографиях.
На фотографии можно заметить, что в качестве имитации нагревательного элемента использован мощный резистор, на корпус которого каптоновым скотчем приклеен датчик температуры. Вентилятор использовал обычный компьютерный. Датчик температуры — NTC-резистор на 10 кОм. В общем, механическая часть меня не очень интересовала, как-то обозначил ее наличие, и ладно.
Зато печатная плата получилась отлично. Собирать ее было одно удовольствие. Кстати, изготовлена она на специализированном фрезерном станке. Об этом есть запись в моем блоге, если интересно, можете посмотреть подробнее.
Функциональность устройства ничем не отличается от привычных всем бытовых приборов. Подносишь руки к инфракрасному датчику — включается поток теплого воздуха. Температура нагревателя настраивается «на глазок», но держится достаточно стабильно. Время включения можно выбирать положением перемычки, доступно три интервала. С помощью DIP-переключателя можно настраивать момент отключения нагревателя. Это сделано для исключения перегрева внутри прибора — нагреватель можно отключить заранее, а вентилятор его остудит и выгонит горячий воздух.
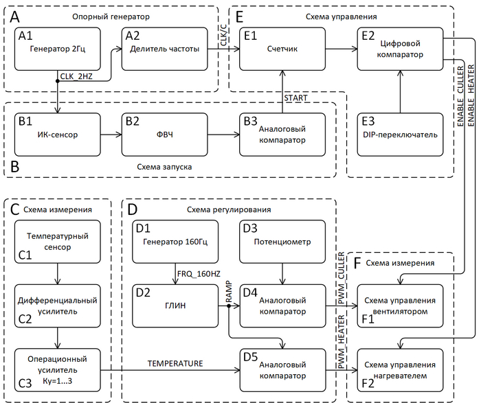
❯ Описание структурной схемы
Мы уже рассмотрели, как это должно функционировать. Теперь самое время погрузиться в схемы. Начнем со структурной схемы, которая показана на рисунке ниже.
Начало подачи теплого воздуха запускается ИК-сенсором B1. При его срабатывании схема включает нагревательный элемент F2 и вентилятор F1. Время включения вентилятора определяется положением перемычки в блоке делителя частоты А2. Время включения нагревательного элемента зависит от состояния DIP-переключателя E3. При каждом повторном срабатывании ИК-сенсора B1 схема управления E начинает отсчет времени включения вентилятора и нагревательного элемента с начала.
ИК-сенсор B1 управляется короткими импульсами с частотой 2 Гц от генератора A1. ФВЧ B2 необходим для того, чтобы отфильтровывать постоянную составляющую на выходе ИК-сенсора, вызванную фоновой засветкой датчика. Аналоговый компаратор B3 имеет регулировку для настройки дистанции срабатывания ИК-сенсора B1.
Схема управления E формирует сигналы включения нагревательного элемента и вентилятора. Импульс «START» сбрасывает счетчик E1, после чего он начинает счет 15 импульсов от опорного генератора A. После 15 импульсов счетчик игнорирует все последующие поступающие тактовые импульсы до поступления следующего импульса «START». Пока счетчик E1 ведет счет импульсов, сигнал «ENABLE_CULLER» принимает активное состояние. Сигнал «ENABLE_HEATER» принимает активное состояние, пока выход счетчика E1 имеет двоичное значение на выходе меньше, чем установлено на DIP-переключателе E3.
Схема измерения C предназначена для измерения температуры нагревательного элемента с помощью температурного сенсора C1, который установлен непосредственно на нагревательном элементе. На основе выходного сигнала «TEMPERATURE» схема регулирования D формирует сигнал ШИМ «PWM_HEATER» для схемы управления нагревателем.
Мощность, подаваемая на вентилятор схемой управления F1, определяется потенциометром D3. Уровень напряжения на нем определяет коэффициент заполнения ШИМ-сигнала «PWM_CULLER».
Формирование ШИМ-сигналов производится на основе пилообразных импульсов с частотой 160 Гц, формируемых генератором D1 и ГЛИН D2.
❯ Описание электрической схемы
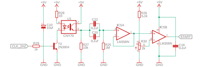
В духе лучших традиций проектирования синхронных последовательностных схем, тактирование всей логики управления будет осуществляться от общего генератора на основе таймера NE555. Эта старая добрая микросхема всем хорошо известна и отлично подходит в моем случае из-за достаточно низкой требуемой частоты и отсутствия каких-либо особых требований к стабильности.
Тактовый сигнал CLK_2HZ через транзистор Т3 включает инфракрасный светодиод оптического датчика U1. Когда мы достаточно близко подносим руки, ИК-лучи переотражаются от них и засвечивают фототранзистор. Импульсы переменного тока проходят через фильтр верхних частот С20, С22, R25, а постоянная составляющая от фоновой засветки датчика отсекается. Из-за низкой частоты переключения светодиода фильтр должен иметь как можно более низкую частоту среза. Но в данной схеме этим вполне можно пожертвовать, зато практически не понадобилось подбирать его номиналы.
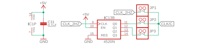
Далее тактовый сигнал продолжает гулять по схеме и попадает на вход делителя тактовой частоты IC13B. Счетчик двоичный и мог бы делить тактовые импульсы до 16 раз. Но я решил ограничиться всего тремя джамперами, импульсы при этом могут замедляться примерно до половины герца.
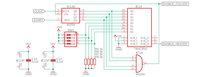
Следующая схема представляет собой счетчик интервала включения вентилятора и нагревательного элемента. Применение двоичного счетчика IC13A здесь позволяет получить отложенное время выключения до 8-ми секунд.
Досрочное отключение нагревательного элемента производится цифровым компаратором IC12. Микросхема 74НС85 по нынешним временам достаточно экзотическая, но их запасы еще имеются на радиорынках.
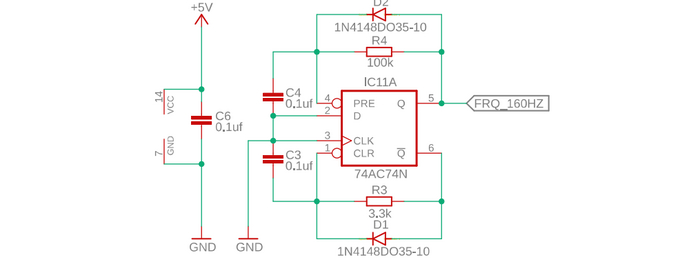
Для регулирования мощности нагревательного элемента и скорости вращения вентилятора используется отдельный генератор импульсов IC11A. Триггер я использовал исключительно для разнообразия в схемотехнике, тем более что для последующей генерации пилы необходимо подавать периодический сигнал с очень короткими импульсами в сравнении с его периодом. Частота импульсов составляет 160 Гц — это минимальная частота, на которой кулер начинает вращаться без рывков, и можно сильно не заморачиваться по поводу драйверов для силовых ключей. А с учетом характера нагрузки нет особой разницы, на какой частоте будет ШИМ.
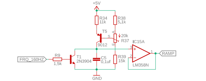
Формирование линейного нарастания пилообразных импульсов осуществляется за счет заряда конденсатора С5 постоянным током через стабилизатор на транзисторе Т5. На самом деле форма пилы для данной схемы вообще не имеет значения, и заряжать конденсатор можно было бы через обычный резистор, но мне захотелось реализовать источник тока.
Для обеспечения максимально крутого обратного фронта пилы конденсатор С5 должен быстро разряжаться через транзистор Т1 в конце каждого периода импульсов с частотой 160 Гц. Это достигается за счет очень большой скважности тактирующего сигнала.
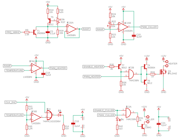
Формирование ШИМ-сигнала для регулирования скорости вращения вентилятора осуществляется операционным усилителем IC15B, выполняющим роль компаратора. Почему я не использовал компаратор? Потому что у меня скопилось очень много LM358, надо их куда-то использовать.
Компаратору на ОУ было бы неплохо иметь хотя бы положительную обратную связь. Но мощности в схеме небольшие, частоты низкие, да и сам LM358 очень медлительный. Так что о шумах при переключении можно особо не переживать, на практике фронт ШИМ-импульсов получается достаточно чистым.
Мощность, а следовательно, и скорость вращения вентилятора определяется положением переменного резистора R22. Резистор R24 нужен для более эффективного использования угла поворота резистора R22. А резистор R23 ограничивает минимальный коэффициент заполнения ШИМ и не позволяет полностью остановить вентилятор, что исключает перегрев нагревательного элемента.
Управление вентилятором выполняется с помощью транзистора Т2, который осуществляет коммутацию питания под воздействием ШИМ-сигнала, выработанного предыдущей схемой. Логический вентиль «И» IC2A в зависимости от состояния сигнала схемы счетчика интервала разрешает или запрещает работу вентилятора.
Светодиод D4 служит индикатором включения сушилки.
Для контроля температуры нагревательного элемента применяется NTC-резистор с сопротивлением 10 кОм. Он подключается к соответствующему разъёму в верхней части резистивного делителя напряжения.
Необходимая температура нагревательного элемента задаётся с помощью переменного резистора R17. Усилитель IC3A сравнивает напряжение, установленное R17, с напряжением, поступающим от датчика температуры, и формирует сигнал ошибки.
Второй усилительный каскад на IC3B регулирует усиление сигнала ошибки. Это позволяет достичь баланса между скоростью разогрева нагревательного элемента и точностью поддержания заданной температуры.
Формирование ШИМ-сигнала для нагревательного элемента происходит по аналогии со схемой управления вентилятором. Отличие заключается в том, что заполнение ШИМ-сигнала определяется сигналом усилителя датчика температуры.
Поскольку ток, потребляемый нагревательным элементом, является значительным, для его коммутации был использован полевой транзистор Q1. Драйвер затвора Q1 выполнен по полумостовой схеме на биполярных транзисторах Т4, Т6. Разрешение работы нагревателя осуществляет вентиль «И» IC2B.
Светодиод D3 служит индикатором состояния нагревательного элемента. При нормальной температуре он должен мигать. Напряжение на делителе R40, R41 приблизительно соответствует напряжению, которое установилось бы на выходе датчика температуры при перегреве нагревательного элемента. Следовательно, если температура воздуха станет слишком высокой, светодиод мигать перестанет.
Питание схемы осуществляется от блока питания на 12 В. Для формирования напряжения 5 В, необходимого для питания схемы управления, используется стабилизатор напряжения IC14.
На рисунке ниже я разместил общую электрическую схему. На мой взгляд, она получилась не такой сложной и вполне логичной, ну или как минимум понятной и предсказуемой в работе.
❯ Заключение
Конечно, если вы разрабатываете регулятор для узлов атомной электростанции или системы питания газовой турбины, стоит подойти к проектированию регуляторов более ответственно и, возможно, отказаться от использования операционных усилителей. Современный микроконтроллер подойдет для решения этой задачи значительно лучше. Но для понимания базовых принципов работы регуляторов эта схема вполне пригодна. А если учитывать, что проектировалась она больше с целью радиолюбительского хобби и организации досуга, она справилась с поставленной задачей на все сто. Надеюсь, что вам было так же интересно читать эту статью, как и мне над ней работать.
Написано специально для Timeweb Cloud и читателей Пикабу. Больше интересных статей и новостей в нашем блоге на Хабре и телеграм-канале.
Хочешь стать автором (или уже состоявшийся автор) и есть, чем интересным поделиться в рамках наших блогов (за вознаграждение) — пиши сюда.
Облачные сервисы Timeweb Cloud — это реферальная ссылка, которая может помочь поддержать авторские проекты.





















