Сообщество - Лига гитаристов

Лига гитаристов

2 024 поста 7 883 подписчика

Популярные теги в сообществе:

16

John Lennon - Imagine || На гитаре

Всем привет!


Подумал, что песни The Beatles уже всем порядком надоели, поэтому решил взяться за совершенно никак не связанную с ними музыку.


Буду рад вашим оценкам и комментариям


Peace & love :)

51

Энвелоп фильтр для гитары своими руками с нуля

Фильтр низких частот управляемый напряжением обычное дело для аналоговых синтезаторов, но на рынке гитарной обработки сложно найти, что то подобное.


Подавляющее большинство подобных диу педалей имеют очень урезанный генератор огибающей, что ограничивает их использование.


В очередной раз не найдя подходящую по функционалу педаль, решил собрать ее сам.

Для тех кому лень читать.
По ссылке доступны все необходимые файлы и инструкции по заказу плат, комплектующих и сборке педали:


OVERLY LOWERLY (Guitar Pedal) — ссылка на гитхаб со всем необходимым


В самом низу постав добавлю короткое видео с работой устройства.

(Ссылка на видео есть так же на странице в гитхабе)

В общем, однажды надоело ковырять гитарные педали и полез в синтезаторы, там ознакомился с разными способами обработки и управления сигналами не свойственными для гитарных педалей в ввиду разных ограничений (которые вовсе и не ограничения).


Погуглил что к чему прикладывается.

Схемы из интернетов к деталям прикинул, и собрал из того, что было.



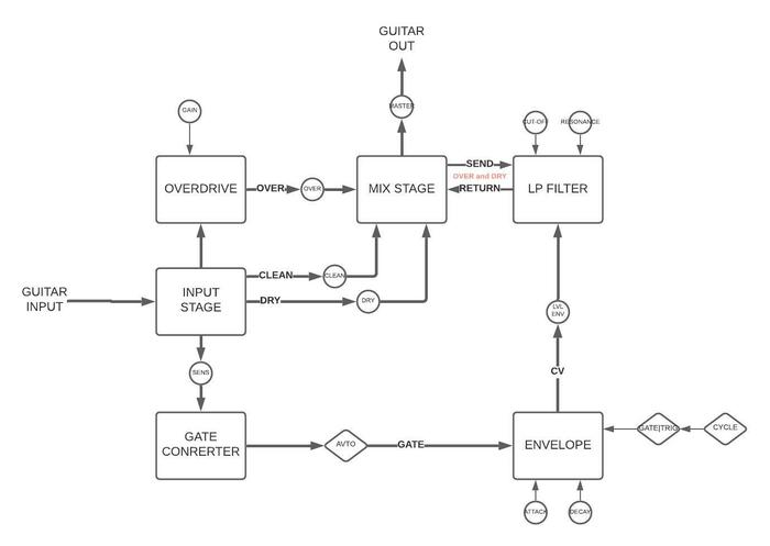
Здесь установлены два блока из аналогового синтезатора, адаптированных под гитарный сигнал:

VCF (Voltage Controled Filter) — Фильтр управляемый напряжением, здесь я использовал фильтр низких частот (Low Pass Filter), так как он самый приятный уху оказался в работе с гитарой.
Это схема на довольно популярном для этих целей операционном усилители LM13700, ее часто можно встретить в компрессорах, лимитерах, фейзерах или даже на громкостях.


Все компоненты были подобраны с учетом частотных характеристик гитары (на слух), так как большинство фильтров для синтов слишком резкие для гитары и звучат довольно специфично.
С этим конечно пришлось повозиться.
Ниже будет приведена схема использованная в данной педали.


AR/AD ENVELOPE GENERATOR — Генератор огибающей, в синтезаторах используется для управления громкостью, например для того, чтобы сделать нарастающий по громкости звук или наоборот плавно затухающий при нажатии на клавишу.

Данный генератор может работать в трех режимах, один из которых цикличный и может использоваться как генератор низкой частоты (LFO), например как в фейзере, но при этом форму волны можно поменять всего двумя теми же ручками атаки и затухания.

На изображении пример того как срабатывает генератор огибающей в разных режимах при нажатии на кнопку.


В паинте рисовал🤷‍♂️

Из чего это все состоит:

Я разбил схему на 6 функциональных блоков на которой изобразил блок-схемой как проходит сигнал, а так же ручки управления.


• Входной каскад (INPUT STAGE)

• Каскад перегруза (OVERDRIVE)

• Гейт конвертер (GATE CONVERTER)

• Генератор огибающей (ENVELOPE)

• Фильтр управляемый напряжением (LP FILTER)

• Микшер (MIX STAGE)

Для полноценного управления напряжением, необходимо двухполярное питание.
Такое питание используется во всех модульных синтезаторах.

Поскольку схема у нас максимально аналоговая и потребление здесь минимальное, самое простое решение это преобразователь на переключающихся конденсаторах ICL7660S.
Он компактный, дешевый, требует минимум обвеса и идеально подходит для работы в педалях.
Обязательно нужно использовать микросхему с маркировкой ICL7660S (та что без буквы S имеет низкую частоту работы, из за чего будет постоянный "свист" на фоне)

Поскольку гитарный сигнал у нас поступает сразу на несколько функциональных блоков, его необходимо усилить, для этого используются 2 ОУ с регулируемым коэффициентом усиления.
После чего сигнал подается:
• В блок перегруза

• В микшер

• В гейт конвертер

Схема перегруза взята за основу Vertex TDrive, это достаточно гейновый овердрайв, на выходе у него стоит JFET транзистор, добавляющий довольно приятной "теплоты".

Питание этого блока была адаптировано под двухполярное напряжение, что по идеи должно было дать больший частотный диапазон (Да, этим часто пользуются производители перегрузов в последнее время, разгоняя питание обычной той же ICL7660).

Схема взята кстати отсюда: Caboose Overdrive.


Устанавливал вместо этого блока другие приколясы (например октавер через FLIP-FLOP), тоже интересно, но для гитары овер оказался более компромиссным решение.

Гейт конвертер использует 3 ОУ, двумя из которых усиливает сигнал в 100 раз(а может быть и нет), после чего полностью выпрямляет его компаратором.

Для установки выходного напряжение на нужный уровень, используется простой делитель напряжения (R31 и R34), при напряжение в 9в, на выходе ровно 5в, так что при желании можно вывести его отдельно, для управления внешними устройствами.

Микшер был взят из MFOS SUB-COMMANDER очень нравится решение с посыл/возвратом сигнала, очень понятное и удобное решение для смешивания сигналов.

Энвелоп генератор взят из MFOS MINI SYNTH SOUND LAB.

Надёжный и простой генератор огибающей.

ADSR для гитары не показался чем то особенно круче, +2 ручки не стоят того.

Не самое компактное решение, но цикличный режим который позволяет его использовать как LFO и делает не нужоным это ваш лфо.


О том как он устроен и почему работает вполне доступно и подробно написано на сайте musicfromouterspace, да и вообще там можно много найти интересного, что может помочь с Вашими проектами.

Фильтр низких частот как уже писал ранее практически на самой классической микросхеме для этих целей.


LM13700 здесь используется в режиме резистора управляемого напряжением и меняет частоту среза фильтра открывая ее.(так гугл транслет говорит)

Ручка резонанса регулирует обратную связь и усиливает частоты на срезе, при высоких значениях ручки резонанса, фильтр начинает заводиться, добавляя сигналу гармоник, что дает классический синтезаторный "Wah"-тон.

Чтоб собрать всю эту теорию в практику, потребовалось не мало времени.
Для начала мне пришлось проверить работоспособность каждого отдельного блока на макетных платах, в работоспособности честно говоря не сомневался, так как некоторые блоки использовал ранее в других устройствах и убедился в их корректной работе, но тем не менее нужно было понимать о возможных багах и артефактах в их работе совместно.

Убедившись, что все более менее работает корректно, отправился в EasyEDA перерисовывать это все в цельную схему.


Я всегда использую разделение по блокам и пометки в схемах, чем советую не пренебрегать.

Разбираться через пару месяцев в своей же схеме тратит время.

Корпуса педалей обычно ограничены по размеру, а учитывая количество деталей и желание построить все на "DIP" компонентах, пришлось использовать довольно плотную компоновку.
Соответственно ручки были вынесены на проводах, что позволило расположить их как попало лишь бы влезло)).


Сразу было определены размеры платы, от которых приходилось отталкиваться:
82х86мм, это практически максимально допустимый размер платы который поместится в корпуса GAINTA G0473 (MXR STYLE).

Я такой корпус конечно же не использую.

Крепежные элементы тоже конечно же не рассчитывал, что в корне осуждаю, но был расчет, что плата будет держаться на проводах, что собственно и произошло.
Отверстия кстати есть на всякий случай.


На трассировку потратил некоторое время, еще некоторое время на исправление.


Очень рекомендую всем, кто занимается подобным "тетрисом" использовать 3д модели, чтоб хотя бы примерно понимать о расположении комплектующих, особенно важно в проектах где установлены потенциометры и другие управляющие элементы сразу на плате.


Далее был оперативно оформлен заказ на одном из сервисов по производству печатных плат в китае и приступил к сборке.

Так как я заранее располагал комплектующие с учетом их реальных размерам (благодаря 3д моделям), в сборке никаких трудностей не возникло и готовая плата уже была через пару часов после прибытия посылки с почту.

Самое сложное, как и ожидалось, это установка потенциометров и тумблеров.
11 потенциометром, 3 тумблера и 2 кнопки становятся в притык в такой небольшой корпус.

Корпус это отдельная история.

Он уже пережил несколько проектов которые не нашли себя в реальном применении и обзавелся неожиданными отверстиями, которые пришлось заделывать тем, что было под рукой.

Рассчитав необходимую длину проводов для потенциометров, установил их на плату.
Тумблера устанавливаются с внешней стороны корпуса, поэтому остались на последок.


Из за такой особенности установки не рекомендую использовать подобные клавиши, но в данном случае это была безысходность, так как диаметр установочных отверстий под них чуть больше 15мм и пришлось бы закрывать "технологические" отверстия.

Конечно же не все завелось с первого раза, попался сгоревший полевой транзистор на выходе перегруза, второй тоже.....
В общем разборка подобной конструкции не самое приятное занятие, так что замена была установлена с нижней части платы.

Байпасс конденсаторы так же до сих пор не установлены из за совокупности разных факторов и человеческой лени, но и без них прекрасно работает.


Ну и видосик о том как это работает.

Если будет какая то активность под постами, постараюсь ускорить выход новых проектов.

Но пока жду юбилея в 60 дней ожидания бесплатных плат с ALLPCB, осталось совсем не много(или много).

В лонглисте:

• В 12 каскадный фейзер с лфо управляемым напряжением и энвелоп генератором

• В Бомж-драм-машина за полтораху.

• MFOS SLMS с модами и дилеем

• Что то еще, но уже забыл, потому что слишком долго идут платы....



На все проверенные проекты будут выложены или не будут, схемы и файлы для заказа плат под сборку.


Пишите в комменты, что хотелось бы, чтоб аналогово и по всякому, и собиралось легко, и доступно по русски.

Показать полностью 17 1
5

Maneskin - I wanna be your slave

Вроде бы только недавно отгремело последнее Евровидение, а оказывается, что прошло уже несколько месяцев!


Но слава экстравагантной группы Maneskin до сих пор не утихает! В чем же секрет этой группы? в каверах на старые хиты или в эпатажно виде главного вокалиста? Никто об этом не узнает! 🙃


А я вам пока что поведую о настоящих фактах об одной из их песен (и моей любимой, кстати):


1. Своим клипом на песню "I wanna be your slave" музыканты хотели раскрыть все стороны человеческой сексуальности.

2. Выход клипа I Wanna Be Your Slave вызвал бурю обсуждений в твиттере, а поклонники группы поспешили сделать из кадров видео мемы. Ведь некоторые сцены в клипе оказались идеальной пикчей, чтобы описать бытовые ситуации, с которыми сталкивались многие из нас.

3. Песня довольно легкая для исполнения ее на гитаре: состоит из трех повторяющихся паттернов! Поэтому ее сможет сыграть даже новичок!

4. Текст песни выстроен почти полностью из противопоставлений. Дэвид сказал, что группа включила эти очевидные противоречия, потому что они хотели «передать идею о том, что нам не нужно иметь единую личность, у каждого может быть много граней».

5. Песня ИТАЛЬЯНСКОЙ группы написана на АНГЛИЙСКОМ языке, в отличии от хита Евровидения Zitti E Buoni.

6. Первоначально идея песни для фортепиано пришла в голову Дамиано Давиду, вокалисту. Когда он отправил аудиофайл басистке Виктории Де Анжелис, она и гитарист Томас Рагги сначала отклонили его, потому что он звучал ужасно.

7. В Великобритании этот хит последовал за «Zitti E Buoni» в чарты, в результате чего итальянские рокеры стали первым победителем конкурса «Евровидение» после Селин Дион, у которого две песни вошли в топ-40 Великобритании.


Песня исходит из вокальной линии и развивается с повторяющейся петлей, с танцевальными характеристиками, но с сырым-рок-звуком, структурированным с риффом, который повторяется навязчиво.

В принципе, я думаю, что этого вполне достаточно, чтобы захотеть сделать кавер на эту песню! Так что вот он, собственной персоной: (Я старалась)

Показать полностью 1
154

Самодельный гитарный фузз в деревянном корпусе

Всем привет! Уже довольно давно я увлекаюсь изготовлением разных гитарных девайсов, но ничуть не меньше люблю работать с деревом. Совместить эти увлечения в контексте гитарных педалей удается не часто, но я люблю экспериментировать) Результат очередного эксперимента можно увидеть ниже в лице фузза по схеме EQD Black Ash

В целом деревянные корпуса для педалей - не такая уж новинка, к примеру сам я вдохновился продукцией Vongon Electronics, но добавил к этой идее несколько своих фишек, о которых и расскажу далее.

Сперва пару слов о подсветке. Под лицевой панелькой из алюминия скрывается дополнительная пластина из оргстекла толщиной 2мм и именно к ней крепятся потенциометры, которые при включении эффекта подсвечиваются снизу четыремя smd-светодиодами

Но есть еще один нюанс - подсветка в зависимости от уровня гейна меняет цвет с зеленого на красный. Выглядит это как-то так:

Что касается компоновки разъемов, то изначально хотел расположить их на лицевой стороне, как у упомянутых выше Vongon Electronics, но во-первых это может доставить некоторые неудобства при эксплуатации (на мой взгляд), во-вторых это было бы слишком просто (и значит не интересно), поэтому я сделал выборку под еще одну алюминиевую пластину, на которой крепятся разъемы под вход, выход и питание

К слову, в качестве заготовки использовал доску из ясеня толщиной 38мм. После всех обработок на ЧПУ корпус выглядел так:

Для крепления лицевой и задней панелек к корпусу заказал на Али гайки, которые запрессовал в заранее вырезанные отверстия

Сами панельки тоже вырезал на станке с ЧПУ из листа алюминия толщиной 2мм

Для покраски использовал кислотный грунт и обычную черную матовую аэрозольную краску. Дерево, в свою очередь, покрыл маслом с тонировкой под орех.

Что касается внутренностей, то как я уже отметил, это клон педали Earthquaker Devices Black Ash, которая была выпущена лимитированной серией в 1500 штук. От печатной платы решил отказаться и собрал всё навесным монтажом, так как деталей там по пальцам пересчитать. Потенциометр гейна двойной, так как рулит ещё и подсветкой

По звуку это фузз с гейном чуть выше среднего и довольно-таки плотный и собранный. Отвечая на вопрос, не сильно ли фонит педаль в корпусе из дерева, хочу сказать, что особой разницы со стандартными решениями в этом плане не заметил, но на всякий случай потом еще сделаю экранировку графитом.

Надписи на лицевой панели, кстати, нанесены лазером. Подобрал режим так, чтобы он выжигал верхний слой краски и оставлял слой грунтовки

Ну а если вам интересен более подробный процесс изготовления, то можете посмотреть видео, в конце которого есть еще и пример звучания, куда же без него?) Если же хотите еще больше информации и новостей о моём творчестве, то прошу сюда

Спасибо, что дочитали и да прибудет с вами вдохновение и качественный звук!)

Показать полностью 10 1
Отличная работа, все прочитано!