Сообщество - Сообщество Ремонтёров

Сообщество Ремонтёров

8 087 постов 44 145 подписчиков

Популярные теги в сообществе:

11

IPhone 12 Pro нет сети и Wi-Fi, не простой ремонт

В наш сервисный центр поступил iPhone 12 Pro после серьёзного удара. Казалось бы, ничего страшного, экран жив, но вот сеть и Wi-Fi отсутствует полностью. Такие симптомы часто указывают на повреждение платы.

Разбираем устройство и сразу бросается в глаза, телефон уже бывал в ремонте и не просто открывался, а подвергался ремонту материнской платы.

После отделения верхней и нижней частей платы мы увидели следующее.

На нижней плате остались пятаки (контактные площадки), которые должны быть на верхней.

На верхней плате мы видим пятаки, которые оторваны от текстолита. Такие пятаки можно восстановить.

При детальном осмотре выявились два критически важных пятака, которые вырваны полностью вместе с корнем, а это уже невосстановимый случай. Без них модемная система не сможет работать. Плата уже подвергалась ремонту, так как было много восстановленных пятаков, но видимо после ремонта падения продолжились.

В таких ситуациях остаётся только свап верхней платы, перенос ключевых компонентов на донора (процессора и микросхемы памяти).

Микросхемы были аккуратно сняты, перекатаны и установлены на донорскую плату. После спайки двух частей сеть и Wi-Fi ожили.

✅ Итог

iPhone 12 Pro готов снова радовать хозяина и жить полноценной жизнью. Был сделан ремонт материнской платы, заднее стекло клиент менять отказался.

Стоимость ремонта - 10 000 рублей.


г. Москва, docdevice.ru
По всем вопросам пишите в Телеграм
Подписывайтесь на наш Телеграм-канал

Показать полностью 10
1502
Сообщество Ремонтёров
Серия Восстановление данных

Началось. Samsung s22 ultra. Не включается

Как меня радует это противостояние:

Вот та статья:

Слегка утонул. Samsung s22 ULTRA

Казалось бы, флагман 2022 века, а уже закончился, причём ему никто не помогал в этом.

Закончился частично. Сначала возникают спонтанные перезагрузки, а уже после либо висит на заставке, либо кино больше не крутит

Первые реболлы 22й серии я начал делать ещё в начале 2024 века, поэтому экспа в восстановлении имеется, причём процессор по структуре тут точно такой же, как и на s21 серии, только там он чуть хуже.

Взрываю:

Был тут один пост с ремонтом этой модели и там приговор был очень смешной - отвал оперативной памяти якобы от перегрева.

Знатно у меня тогда жопка вспыхнула, так как там сняли память и посадили обратно, взяв при этом 10к за прогрев процессора.

Да ещё и пытались отнекиваться, типа пачками ремонтируют и возвратов ни разу не было, ага))

Вот правильный ремонт - полноценный реболл процессора и оперативной памяти.

Причина отвала - широкий и горячий чип. Ведёт не оперу, а сам процессор, отчего он начинает на доли микрон елозить на плате, без того хрупкий безсвинцовый припой трескается, место соединения окисляется и привет неконтакт с платой)

Просто отреболлить ОЗУ или пропаять "подешевле" с флюсом тут не получится - микросхема под компаундом и прожарка отвалит проц окончательно, если не добьёт его.

Прогрев в "ихнем" случае - полная чепуха, временное восстановление контактов с гарантией до двери.

По хорошему - нужно всю эту радость залудить и заново отфутболить через трафареты

Видел я уже такие реболленные процы от специалистов - снимают все конденсаторы и ломают стабилизаторы, так как понятия не имеют как работать с такими тонкими микросхемами, трафареты же за 100р/штука купить дорого). Скажу так - кристалл внутри спресованного текстолита настолько хрупкий, что перекос при снятии на миллиметр убивает его. Он ломается и клиент получает дрова без возможности восстановления данных.

А вообще вот:

Ошаривается, сажается сначала проц и сверху оператива.

С первого раза осуществляется запуск, правда в первый раз телефон будет запускаться минуты 3 и ещё минут 10 тупить и тормозить пока чип памяти очухается от нагрева)

Далее мажется термошпатлёвка

И выдаётся полностью рабочий телефон с данными:

Стоимость восстановления всего 15 тысяч.

По времени 2 часа.

По статистике, сейчас флагманы на андроиде с жирными процессорами стабильно работают 3 года, потом рандом, кому-то везёт и всё работает как раньше, кто-то уже на тех.обслуживании, а кому-то пора в мусорку, но как бы там ни было, судя по тенденции пихать горячие камни со слабым охлаждением - рано или поздно сдохнет всё)

Ну а если не сдохнет проц - сдохнет чип памяти, он тоже не бесконечный.

Ушёл.


А задать вопрос по ремонту только телефонов или планшетов можно мне в личную тачку

t.me/rfon_bot

Канал с анонсом таких постов и прочими радостями тут:

https://t.me/rfonservice

Китайское из списка:

techo infinix Sony blackberry Nokia Lenovo Motorola HTC

Сварку и атомный елдакол, а так же любой планшет от ноунейминговых компаний в ремонт больше НЕ БЕРУ.

Остальное, не входящее в этот список - велком.

Не консультирую по подбору техники по параметрам или "посоветуйте самый лучший за такую-то стоимость" - я не консультант в магазине, это лучше к ним или сюда в комменты:

Купи лучше oneplus, говорили они))

Переклейкой и полировкой стекла не занимаюсь!

Меняю модуль строго на оригинал сразу!

Ноуты, видеокарты, часы, наушники и фотоаппараты не делаю!

Кроме:

Увеличение ssd только на macbook m1/m2/m3 и скоро m4:

Увеличение памяти Macbook Air 13 2020 года с 256gb до 2Tb

Macbook Pro m2 pro a2779. SSD UPGRADE TO 2TB

Увеличение памяти Macbook air m3 a3113. С 256gb до 2TB

Замена аккумуляторов и микрофонов только в airpods 1 и 2 серии:

Любителям пихать в дырки или Женя, ты чево наделал? AirPods2 vs перекись водорода xD

ОЗУ на m1/m2/m3/m4/m5/T800 увеличить нельзя!

Macbook air m1 2020 a2337 Увеличение оперативной памяти с 8 до 16gb. Эксперимент за 100 тысяч рублей

Глючный ютуб с видеокарточками моих ремонтов тут:

https://www.youtube.com/@Rfon

Сайт с ценниками:

rfontech.ru

А по сверхважным вопросам зовите меня тут по призыву @R.Fon

Увидимся))0

Показать полностью 15
5

Код молчания: Дело о заслюнявленном "Заговоре"!

Мой друг Стас ворвался в мою ремонтную келию с лицом человека, которого предает весь мир. Он швырнул на стол свой телефон, как шпион, сдающий компрометирующие материалы.

— Брат! Они все сговорились! — его голос сорвался на шепот. — Все! От мамы до курьера из «Яндекс.Еды»! Со мной никто не разговаривает!

Я, как Остап Бендер в мире печатных плат, поднял бровь.
— Уточни. «Не разговаривают» в смысле игнорируют, или «не разговаривают» в смысле технической неисправности?

— В смысле, я их слышу, а они меня — нет! — Стас трагически взмахнул руками. — Я вчера два часа звонил маме! Она такая: «Стас, ты меня слышишь? Алло! Алло!» А я ей: «Мама, я тут, я все слышу! Она рассказывает тете Люде, что я, наверное, в запое, раз молчу как партизан! Потом звонил девушке. Я ей такой нежный голос: «Заюш, как твой денек?» А она в ответ: «Если ты опять нажал кнопку случайно, я сейчас взорвусь!» И бросила. Даже курьер, который пиццу привозил, когда я попытался сказать, что сдачу не надо, просто пожал плечами и ушел! Они все в доле! Я чувствую! Заговор молчания!

Мне стало его искренне жаль. Я взял телефон с видом эксперта-криминалиста, который вот-вот расколет дело века.

Этап первый: Проверка на паранойю.

Я провел стандартные ритуалы: настройки, диктофон. Тишина. Абсолютная. Я записал своим голосом грозное: «Стас, ты просто параноик!» и включил ему. Он услышал только тишину и свой стучащий зуб.

— Видишь?! — прошептал он, побледнев. — Даже твой голос они заглушили! Технологии!

Этап второй: Вскрытие и улика.

Под микроскопом я нашел улику. Нижний микрофон был мертв. Следы окисления. Причина — влага.

— Стас, признавайся, где купал телефон?
Он замер, а потом на его лице вспыхнуло осознание, смешанное с ужасом.
— Шаурма... Это была диверсия! Они подослали того курьера с особо сочной шаурмой! Я так увлекся, что заслюнявил аппарат! Они знали мою слабость!

Я покачал головой. Картина преступления была ясна. Враг использовал его же гастрономические пристрастия.

Этап третий: Хирургия и осознание масштабов катастрофы.

Перед началом пайки я объявил, что ему невероятно повезло. Пока он не понимал, я обрисовал апокалиптический сценарий: отказ обоих микрофонов и динамиков.

Я погрузил его в пучину технического хоррора, описав процедуру вскрытия защитных экранов и замены микросхемы-кодак размером с ноготок муравья. Его паранойя сменилась благоговейным ужасом перед тонкостью работы, которая его миновала.

Эпилог: Реабилитация и заслуженная мораль

Час ювелирной работы — и телефон ожил. Первый же звонок в такси подтвердил успех оглушительным криком «РАБОТАЕТ!».

Финальный аккорд — мораль:
— И запомни, в следующий раз, когда будешь есть шаурму, думай не о заговоре родственников, а о микросхеме-кодак размером с пылинку. Ты сегодня был на волосок от настоящей катастрофы.

Стас вышел из моей келии, крепко прижимая спасенного «младенца» к груди. Еще один пациент был спасен. И я был рад, что на этот раз все обошлось без вскрытия «грудной клетки».

Показать полностью
46

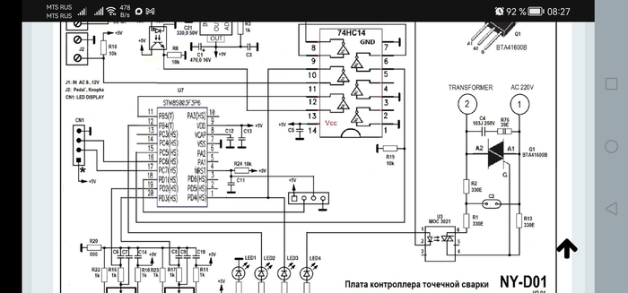
Доработка контактной сварки на базе платы NY-D01 и транса микроволновки

Собрал все потроха воедино. с платы вывел с конденсатора питания провода на вентилятор через тумблер. так же тумблером разорвал цепь первички. чтоб ненароком не ступить и нажать не вовремя. начал играться. гуглеж показал что ребята меняют оптрон МОС3021 на МОС3023. заменил. взял никелесталь 0.2. начал тыкать. на максимуме лепит вроде. у меня на трансе не выбиты шунты были. убрал. стало на мой взгляд слабее варить. вторичка 35 или 50 квадратов мотал. забыл уже. два витка влезло. подкинул ослика. на ХХ нормальная синусоида появлялась примерно от 70% мощности без контакта на вторичке. ниже мощности какая то кракозябра. стал на ленте проверять. от 30 и до 99% мощей пошла норм обрезка полуволн. не идеал конечно. то передний фронт слегка завышен. то задний немного опущен. вроде старается быть как и положено. но не четко. частота не высокая же. но блин не справляется. может что в обвязке симистора не так? или наводка от транса так вляет на плату? симистор Bta100 стоит. на плате есть пустое место под конденсатор.
Вопросы- наводка влияет? симистор мож в полное насыщение не выходит.? мож поставить конденсатор? вобщем как выправить ситуацию. если надо, ещё сниму показания ослика.

Показать полностью 12
56

IPhone 14 Pro Max не включается и не заряжается

На стол ко мне заехал iPhone 14 Pro Max, после подключения неоригинальной зарядки, клиент решил подзарядиться где-то по пути. В итоге получили смартфон без признаков жизни.

Диагностика

Снимаем дисплей, аккуратно добираемся до платы. Подключаем лабораторный блок питания напрямую к материнской плате и тут 2 Ампера потребления по первичной линии питания. Тепловизор показал, что нужно распаивать плату. После распайки, находим виновника - контроллер питания.

Снимаем контроллер питания с донора и устанавливаем на плату.

Спаиваем материнскую плату обратно.

Пациент ожил, телефон грузится, работает, сеть и тп. все исправно.

✅ Итог

iPhone 14 Pro Max готов снова радовать хозяина и жить полноценной жизнью.

Стоимость ремонта - 8000 рублей.


г. Москва, docdevice.ru
По всем вопросам пишите в Телеграм
Подписывайтесь на наш Телеграм-канал

Показать полностью 5
28

Ремонт сушки СENTEK CT-1955. Ошибка EH0 или EHO

Всем доброго времени суток!

Буквально вчера машинка отказалась сушить одежду выдав ошибку EH0 или EHO. Недолго думая полез вскрывать ее, очень интересно было, что произошло.

Для ЛЛ: Катышки забили тэн и начали гореть, выбило термопредохранители.

Процесс разбора несложный. Лезем к сушке через верхнюю крышку. Позади два винта с углов, которые мы выкручиваем и тянем крышку на себя.

Нам нужно снять сушку, держится она на нескольких болтах под 8ю головку. Так же отсоединить все провода и запомнить их порядок. И вытягиваем ее на себя.

Дальше половиним сушку. Затянута она болтами под головку на 6. Выкручиваем и аккуратно разъединяем заводской герметик. Сушка из дюраля, полагаю очень хрупкая.

Ну и внутри, как и, ожидалось, спрессованная пыль, катышки. И видим причину неисправности. Тэн благополучно жарил этот пух и сработали предохранители. Все вычищаем, предохранители обратно защелкиваем, обезжириваем сопрягаемые поверхности и наноси герметик. Дальше в обратной последовательности.

Вопрос к знатокам. Как избежать повторной проблемы? Режим очистки барабана чаще использовать или сетку "на впуск" поставить?

И могло ли это привести к пожару?

Показать полностью 2
875
Сообщество Ремонтёров
Серия Восстановление данных

Простой способ восстановления данных из яблок на Intel. Macbook pro a1706 2017 века. Слегка утопили

Предыстория:

На ноут разлили неустановленную жидкость, хз, мож кот нассал, инфы нет, нюхать не стал)

Этот алюминиевый гроб отнесли к специалистам по восстановлению ноутбуков и как итог:

Восстановлению не подлежит. Данные утеряны.

Я сразу предупреждаю клиента, что ноутбуки я делаю долго. Месяц/два/три.

Основная моя спецификация - восстановление данных, причём приоритет - телефоны. Это порой бывает долго, дорого и не всегда приносит долгожданные результаты, особенно, если в устройстве уже ковырядись специалисты с многовековым стажем работы)

Тут стоит сделать важное отступление:

Заменить дисплей или аккумулятор - ерунда на 30 минут.

Заменить плату без данных - вообще ерунда: 5 винтов и вот он телефон готов.

А вот восстановить фотокарточки котов и счетов - дни и даже месяцы, пока не найдётся нужное.

В большинстве случаев, кто в сервисе ищет лёгких денег, перепахивает плату разными бесполезными ремонтами и сдавшись, после двухчасовой возни, выдаёт без ремонта с особым вердиктом - сгорела мать. Классика. А что именно сгорело? Сами не знают, но в большинстве случаев говорят, что сгорел проц.

Тут просто выдали без конкретики.

Итак.

Macbook pro 13 a1706 2017 века. Восстановление данных.

Что тут у меня?

Слегка прогорела плата и шлейф тачбара. Терпимо.

Плата мёртвая. Потребления нет ни от блока питания, ни от зарядки.

Делали реболл usb hub с hdmi (я возможно не правильно могу назвать название микры, но по схеме так вижу)

Но если подать необходимое питание на коннектор питания от аккумулятора на плату и сунуть в зарядку, то начинает кипятиться эта радость

И тут уже стоит отметить, что половина контактов аккуратно едет в процессор, что уже не есть хорошо

Сняв данную микросхему и перереболлив её обратно на плату, ситуэйшен не поменялась, поэтому её пришлось украдать с донора и поменять.

Дополнительно восстановил снесёную ранее обвязку в виде конденсаторов и резисторов. Восстановил кварцевый генератор.

Хоть ноут и начал подавать признаки взлёта, запуска не было. Питание от usb только 5v, а надо 20.

Это я всё делал прямо в алюминиевом корыте. Теперь стоит взорвать гроб и посмотреть, что там на обратной стороне

Этой верёвкой походу и отправляли плату в могилу xD

Логики я так и не нашёл, эта линия изначально была в порядке.

На обратной стороне реболлилась ещё одна микра. Заменил согласно расположению с донора и естественно с дополнением в виде родной spi rom (верификация микросхемы на плате), а так же поправил уехавшую обвязку

В общем вся эта история так и не взлетела.

Удалось восстановить зарядку, стал нормально заряжаться 20в, 1.5А от type-c.

Вентиляторы при небольшом простое начинали взлетать так, что вертолёт покажется тихим, а в это время по тепловизору одна из линий на процессоре была в заниженном сопротивлении и раскалялась:

Причём питания для запуска были и сравнивая с рабочим, точно таким же ноутом

моим ноутом, тепловизор показывал куда более скромные тепловые параметры запуска.

Ориентировочная! стоимость ремонта при успехе на родной плате составила бы... 45 тысяч.

Клиенту очень важны данные, документы и прочее, поэтому нечего тут возиться с этой мёртвой доской.

В отличие от процессоров M серий, процессор intel не участвует в шифровании пользовательских данных, а всё обязательства за него выполняет ssd контроллер, поэтому

Делается разметка чипов

И снимаются с мёртвой доски

Строго в таком же порядке запаиваются в полностью рабочий ноут

При первом включении мак попросит срочно обновить политики безопасности. Жду ещё пару минут

И данные дома

Компьютер рапортует о том, что ноут внезавно перезагрузился)))

Ну axyeтЪ перезагрузка xD

А то, что ему поменяли всё тело - так, мелочи)

Мои затраты для восстановления составили примерно 50 тысяч

При общей стоимости ремонта всего 120 тысяч.

Общая продолжительность ремонта с момента сдачи 4 месяца. Из них большая часть - ожидание нужных плат и микросхем.

По сути это можно было согласовать сразу и сделать за часов 5 неспеша, но я обычно сначала пытаюсь делать это в минимальный бюджет без дополнительных расходов, а если уже не помогает, то максималка с неизвестным шансом.

Важно! Попытка восстановления при неудачном исходе для клиента будет стоить как минимум затраченных материалов при ремонте.

На самом деле есть ещё более простой метод украдания файлов из мёртвой доски - через терминатора, но за неимением данного и не обязательностью покупать на один раз для меня это не пахнет рентабельность.

А вообще я нотами не занимаюсь xD


А задать вопрос по ремонту только телефонов или планшетов можно мне в личную тачку

t.me/rfon_bot

Канал с анонсом таких постов и прочими радостями тут:

https://t.me/rfonservice

Китайское из списка:

techo infinix Sony blackberry Nokia Lenovo Motorola HTC

Сварку и атомный елдакол, а так же любой планшет от ноунейминговых компаний в ремонт больше НЕ БЕРУ.

Остальное, не входящее в этот список - велком.

Не консультирую по подбору техники по параметрам или "посоветуйте самый лучший за такую-то стоимость" - я не консультант в магазине, это лучше к ним или сюда в комменты:

Купи лучше oneplus, говорили они))

Переклейкой и полировкой стекла не занимаюсь!

Меняю модуль строго на оригинал сразу!

Ноуты, видеокарты, часы, наушники и фотоаппараты не делаю!

Кроме:

Увеличение ssd только на macbook m1/m2/m3 и скоро m4:

Увеличение памяти Macbook Air 13 2020 года с 256gb до 2Tb

Macbook Pro m2 pro a2779. SSD UPGRADE TO 2TB

Увеличение памяти Macbook air m3 a3113. С 256gb до 2TB

Замена аккумуляторов и микрофонов только в airpods 1 и 2 серии:

Любителям пихать в дырки или Женя, ты чево наделал? AirPods2 vs перекись водорода xD

ОЗУ на m1/m2/m3/m4/m5/T800 увеличить нельзя!

Macbook air m1 2020 a2337 Увеличение оперативной памяти с 8 до 16gb. Эксперимент за 100 тысяч рублей

Глючный ютуб с видеокарточками моих ремонтов тут:

https://www.youtube.com/@Rfon

Сайт с ценниками:

rfontech.ru

А по сверхважным вопросам зовите меня тут по призыву @R.Fon

Увидимся))

Показать полностью 25
3866

Революция от Сяоми) Замена стекла на Xiaomi 15 Ultra

Сегодня расскажу, как Xiaomi совершила настоящую революцию в своих трубках 15‑й серии, а также как эти вундервафли чинить после внезапного торможения об твёрдую поверхность :)

Сяоми выкатили год назад свой камерофон, в который накидали всего и побольше: топовый процессор, шикарные камеры и огромный аккумулятор. Правда у нас это добро начали активно покупать сравнительно недавно, потому что на старте эта вундервафля стоила аж 150к вечнодеревянных славянских рупий. Внутренняя жаба, конечно, не позволила фанатам китайцев оценить трубку сразу, и пришлось ждать выхода 17‑й серии, чтобы купить 15‑ю уже на 60к дешевле. Так что теперь это вполне достойная трубка за 90к)

К нам эта вундервафля попала после резкого торможения об твёрдую поверхность, после чего хвалёное ультрапрочное стекло отправилось в мир иной с правого нижнего угла, поэтому на углу теперь появилась красивая паутинка)

Пятен и полос нет — значит, матрица не пострадала, и можно попробовать заменить только стекло, не меняя весь дисплей целиком. Этим и займёмся.

Но сначала покажу, во что там все бабки вбуханы. Встречайте — огромная шайба сзади!

Если вы думаете, что на фото она не кажется большой — скажу так: ОНА ОГРОМНАЯ!

Вот сравнение слева направо трёх топовых китайских флагманов, стоящих в очереди на замену стекла: Xiaomi 15 Ultra, Honor Magic 7 Pro и Magic 6 Pro. И Сяоми среди них — самый здоровый.

Так что ровно лежать на столе эта вундервафля не способна, впрочем, как и любой другой фотофлагман 2025 года.

Но мы тут, всё‑таки, собрались ремонт посмотреть, так что приступим)

Для начала кидаем эту «хоккейную шайбу» на вакуумный сепаратор и снимаем намертво приклеенную заднюю крышку, которую, по традиции, щедро залили герметиком.

Просто охренеть можно с размеров перископа — пришлось аж три стикера клеить, чтобы его закрыть.

С такой дурой счётчики в квартире можно снимать из соседнего города :)

Разбираем вундервафлю до голой рамы.

Закидываем дисплей на сепаратор, разбиваем углы алмазным диском и вытягиваем герметик.

ОЧЕНЬ. МНОГО. ГЕРМЕТИКА.

Затем заводим струну между стеклом и матрицей и аккуратно срезаем разбитое стекло.

И получаем такую картину)

Чистим матрицу до блеска при помощи изопропилового спирта и меламиновой губки.

И выклеиваем матрицу из рамы.

А вот и самое главное изменение в Xiaomi 15 Ultra, которое почти никто не заметил, — ультразвуковой сканер отпечатков пальцев)

Ну и в чем прикол скажете вы? В остальных флагманах все тоже самое стоит. Это то да, но есть нюанс)

В 14 Ultra был старый оптический сканер, и располагался он не на матрице, а в корпусе.

Но прикол даже не в этом: начиная с Mi 11, при замене дисплея отпечаток пальца часто переставал работать из‑за другого фокусного расстояния, и его приходилось калибровать с помощью специальных инструментов в сервисном меню, иногда танцуя с бубном минут 20. Малейшая ошибка — и система отказывалась признавать калибровку.

А вот 15 Ultra стала первой трубой за 5 лет от сяоми, которая после замены дисплея не требует калибровки — сканер работает сразу, без танцев с бубном. Просто заменил дисплей — и всё функционирует. Имба!

Причем в Oneplus 13 тоже впервые поставили ультразвуковой сканер вместо оптического, но там наоборот дисплеи после замены теперь надо калибровать, хотя раньше не надо было. Китайцы походу сами не могут разобраться как их трубки чинить)

Проверяем, что матрица не отъехала к праотцам после всех этих телодвижений.

И достаем новое стекло для замены.

Натираем еще раз матрицу до блеска в антипылевой комнате. Матрица без стекла настолько тонкая, что её свернуло в рулон)

Склеиваем матрицу с новым стеклом и достаем готовый дисплей без единой пылинки.

Я сказал — без единой пылинки!

Наносим на рамку дорогущий термоклей.

Собираем китайский кирпич обратно и закидываем его в морозилку на 10 минут, чтобы клей схватился.

И достем готового китайца.

Ну и олеофоб проверим, куда же без него)

Отдаем китайца обратно владельцу и обмениваем его на деньги)

Замена стекла вышла в 12900р, а замена дисплея бы вышла в 18900р. Такие дела)

Многие спрашивают, что будет, если дисплей весело хрустнет в процессе переклейки? Ответ прост — купим дисплей за свой счет и поменяем его бесплатно, а цена для клиента не изменится. Такие дела)

Гарантия на ремонт 365 дней.

г. Санкт-Петербург.

Все цены на ремонт есть на сайте.

Плюс есть бесплатная доставка по всей России от 5000р заказа.

А так же скидки на первый ремонт — 3%, на второй — 5%.

Дальше, чем больше ремонтов, тем больше скидка! До 20%

А сам ремонт можно спокойно оплатить в рассрочку через Яндекс Сплит без процентов на 4-6 месяцев)

Я ВКонтакте

Я в Телеграме

Я в Ютубе

Канал в телеграм с новостями

Интересные посты (Осторожно! Много букв):

Как восстановить олеофобное покрытие на своем телефоне?

Насколько прочное стекло используют в мобильных телефонах?

На чем держится влагозащита IP67? На примере Iphone 8

Аккумуляторы в телефонах и с чем их едят

Как устроены Amoled и OLED матрицы

Как устроены TFT и IPS матрицы

Как гниют самсунги

Как гниют китайцы

Ну а тем, кто напишет, что пост реклама - пришлю мемы с Лениным)

Показать полностью 24
Отличная работа, все прочитано!