Корпус для Часов На Гри


Корпус для настольных часов Алекса гайвера.
Ссылка на архив с исходниками :


Корпус для настольных часов Алекса гайвера.
Ссылка на архив с исходниками :
Всем привет. Так уже вышло, что я ни разу не собирал часы на лампах. Это как то обошло меня стороной. Но что поделать, буду исправляться. Тем более, я не люблю механические часы, особенно большие, особенно когда они каждую секунду гремят свои механизмом, на весь дом.. Меня это просто бесит...
Собирать часы на семи сегментных светодиодных индикаторах, ну как то не то.
У меня накопилось некоторое количество различных индикаторов, как ВЛИ так и ГРИ, так и специфических индикаторов. В основном я обменивал свои не нужности на лампы, либо покупал, редко кто-то отдавал лампы просто так.
Кто не знает ГРИ это газоразрядные индикатор, а ВЛИ - вакуумно-люминесцентный индикатор.
В итоге у меня возникло пару идей, где пригодятся такие индикаторы. я хотел собрать частотомер на логике, и сделать к нему индикацию на лампах. Ну и конечно же часы, куда без них то?) Далее были идеи собрать еще пару разных устройств с ламповой индикацией. Но об них расскажу в будущем.
Я решил проработать схемотехнику работы с индикаторными лампами и способами их управления. Конечно в современном мире, от таких ламп наверно нет толку, и используют их чисто для эстетики и антуража. Но мне интересно ковыряться со всей этой древностью, запускать лампы, смотреть на их свечение. Это радует мою душу и это есть мое хобби.
Далее, по фотографиям. Все они были сделаны мною, в разное время. Кроме одной фотографии, я ее нашел в интернете.
Осторожно, много фотографий...
Примеры свечения ламп(ИН14, ИН15, ИВ12):
Лампа ИН18. Одна из самых дорогих ламп из линейки ИН.
Помимо ВЛИ И ГРИ, один раз удалось поработать с декатроном. Блок питания был собран на mc34063 + умножитель напряжения. Декатроны так-же ставят в часы, в качестве разделителей либо для красоты.
Конечно, свечение ГРИ намного круче и красивее, чем свечение ВЛИ ламп. Но последние стоят на порядок дешевле, да и найти их проще.
Из специфических ламп, у меня есть вот такие вот индикаторы, из линейки 6Е. С ними я еще не работал. В часах им конечно сложно найти применение, но вот использовать как индикатор уровня какого либо сигнала - почему бы и нет?
Не много фотографий моих запасов. ВЛИ индикаторы:
Индикатор ВЛИ, скорее всего от калькулятора. Кандидат на работу в частотомере.
Индикатор уровня звука, от какого магнитофона/проигрывателя/усилителя я не знаю. есть идеи собрать усилитель и приспособить этот индикатор в нем.
ГРИ индикаторы. В основном это индикаторы ИН14, 15, 12, 6, 19.
Польские индикаторы LC-531. Даже сохранились коробки. Выводы уже почернели от времени.
Еще в запасах лежит коробка новых ламп ИН-13...
Первым я делом я решил освоить работу с лампами ВЛИ. На них я соберу первый экземпляр часов + индикацию для частотомера.
Для питания ВЛИ индикаторов необходимы 2 напряжения - для питания накала и для питания сеток + сегментов ламп. Накал я питаю от преобразователя на LM2596. Для питания сеток и сегментов, я использую самодельный преобразователь на 555 таймере. Уровни напряжений стоит смотреть в документации на лампы.
На этом видео, мои изыскания в плане блока питания и регулировки яркости ламп:
На этом естественно мои эксперименты не останавливаются. Так как, охото, собрать оптимальную систему для питания ламп. Тем более вычитал на одном из форумов, что накал рекомендуют питать переменным напряжением.
После того как я собрал пробный блок питания, я решил начертить схему и спроектировать печатную плату. Я решил использовать 4 лампы ИВ-12 в качестве часовых и минутных, а в качестве секундных использовать лампы ИВ-6..
Получилась следующего вида плата под индикаторы + компоновка на бумаге:
Да, да...Я забыл про разделительную индикацию между лампами. Типо точки или тире, что бы визуально отделять часовые лампы от минутных.. решение нашлось быстро, естественно в гугле. Вот та самая картинка, про которую я написал в самом начале поста:
В качестве разделителей между лампами - можно использовать более мелкие лампы, типа ИВ-6 или ИВ-3. Которые у меня есть. Потраченное время на разработку предыдущей платы, конечно не вернуть, но что поделать..
Я решил собрать макет с лампами на базе макетных плат. Вместо ламп ИВ-12, я решил использовать, для макета, лампы ИВ-6. Т.к. у них гибкие выводы и их удобно втыкать в макетную плату.
Управление часами я решил сделать на базе микроконтроллера stm32f100, тем более у меня есть макетная плата STM32VLDISCOVERY. В ней уже есть встроенные часы реального времени, поэтому не придется ставить дополнительную микросхему RTC. Хотя, у меня уже давно лежит самодельный модуль RTC и воткнуть его в макет, не составило бы и труда. Фотографии модуля RTC. Останется только найти в своих запасах батареечку на 3В. Но я этого делать не буду. Зачем лишний корпус на плате?
Видео работы макета:
В следующем посте, я опубликую готовую конструкцию, или что из этого выйдет.... Вообще я бы хотел получить единый модуль управления как для ВЛИ ламп, так и для ГРИ ламп. Посмотрим что в итоге получится.
С вами был котейка, до новых встреч. И мое серьезное ламповое лицо:
А знаете почему серьезное? Да потому-что я решил сделать двухсторонние платы под часы и побрел в магазин. А лист текстолита двухстороннего, формата А4 - стоит 450рублей..... Это же сколько вискаса можно накупить.....
Привет, Комрады!
Ну что, случилось! Китайцы выпустили электронную плату четырехразрядных часов для советских газо-разрядных индикаторов (ГРИ) ИН-12.
Я считаю это прорывом. Во-первых отсутствуют секунды, которые нахрен не нужны. (ИХМО). Т.е. нужно не 6 ламп, а только 4: соответственно стоимость ламп падает на 30%.
Во-вторых ИН-12 пока много и они не востребованы (как ИН-14), и цена на них около 100 рублей (против 400р за ИН-14). Пока!
Сама же плата на известном сайте стоит меньше 2000р. (без самих ламп).
Конечно, версия для ИН-12 много проще, чем для QS-30, скажем. Но, имеет основные функции: отображение времени, подсветка, ночной режим по желанию (при котором индикаторы не горят с 22-00 до 7-00). Семь цветов подсветки, которые можно отключить или поставить режим смены цвета каждый день. Сохранение хода при отключении питания. А управляется всего двумя кнопками.
Но мой пост по сути про корпус для этих часов. Как старые теплые лампы осовременить функционально и вернуть их в их родную среду 60-х – 70-х годов…
А заодно и нам понастальгировать: делали же раньше! )))
Итак, полазив по интернету, наткнулся на понравившиеся самодельные часы. Мне понравился дизайн этих часов: линии корпуса – два пересекающихся эллипса. Решил взять такой дизайн за основу. Автора лично не знаю, но часы выглядят классно! А сам дизайн корпуса я так понимаю, что придумал Пикабушник PeroonN.
Технологию изготовления корпуса я немного упростил. У меня плата крепится на переднюю панель через деревянные шипы.
Несколько часов за Иллюстратором, и выкройка для лазерной резки фанеры готова.
Ну а дальше дело техники.
Осталось сделать корпус.
Склеиваем боковинки.
Со стороны передней панели приклеиваем верхнюю гибкую панель. Заднюю панель не клеим! Используем ее только как опору.
Затем нижнюю.Нижнюю также не приклеиваем к задней панели. Затем вклеиваем шипы для крепления платы часов и задней панели.
Получаем довольно жесткий корпус с открывающейся задней стенкой.
Морилка, акриловый лак.
На задней панели гнездо для питания и две управляющие кнопки.
ВНИМАНИЕ! Питание 5 вольт. Подойдет любой блок питания для смартфона.
Да, и китайские товарищи, ждем плату под декатрон! Чтобы точки по кругу бегали вместо секунд. )))
Ну и наконец - самое сложное: решить нужен ли кантик и рамки индикаторов! (Они есть на выкройке) )))
Для меня это было самым мучительным. Через 2 недели мучений все-таки кантик приклеил...
Ну и о планах. В планах сделать такой корпус. Выкройка уже есть.
Ну и традиционно ссылки:
Ссылки на предыдущие посты - текстовые часы Text O’Clock здесь и здесь.
Пост о Часах на вакуумных газоразрядных лампах ИН-14 здесь.
С вопросами, которые запрещены правилами сайта в комментариях, можете обращаться на почту alex965@mail.ru, дабы не получать минусы от модераторов и им сочувствующих. )))
Да, есть. Да, могу...
Доброго времени суток, недавно заинтересовала тема часов на ГРИ(газоразрядных интикаторах). Ин-16. Часы кстати наручные, крупные, но офигенные. Покапавшись нашел в интеренете схему для сборки и подробное описание, осталось самое сложное найти лампы. В моем городе их нет, возможно есть у кого-то в Новосибирске, если кто знает где найти, или может отправить, я бы с удовольстивием приобрёл.
И так же делюсь тем что нашёл. Схема и фото.
Что-то типа часов как в Метро у Артёма.
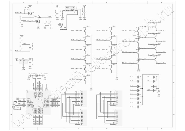
В 2014 году нами была выполнена разработка наручных часов на газоразрядных индикаторах. Мозгом часов является малопотребляющий микроконтроллер STM8L151 фирмы ST Semiconductor. Самой сложной была задача разработки повышающего преобразователя с 3,5 вольт до 170 вольт, которые необходимы для зажигания газоразрядных ламп. При этом преобразователь должен быть компактных размеров, чтобы вписаться в конструктив наручных часов. Но мы уверенно справились с этой задачей!
Также в схеме применены все технологии малого энергопотребления, благодаря чему часы в спящем режиме потребляют всего 3 микроампера.
Позже на нашей электронике были выпущены вот такие часы:
Вот все необходимые для сборки файлы.
http://www.creativelectro.spb.ru/images/Схема%20часов%20НЕОН...
http://www.creativelectro.spb.ru/projekts/Components_4_nixie...
http://www.creativelectro.spb.ru/projekts/Gerber_4_nixie_clo...
http://www.creativelectro.spb.ru/projekts/LUT.rar
http://www.creativelectro.spb.ru/projekts/wiring%20diagram_4...
Сделал себе вот такие часы для рабочего стола. Плата с Али, лампы с базара. Корпус рисовал сам, набран из 3мм фанеры(резал лазером). Функционал конечно обрезаный - время и антиотравление. На плате есть разъем и можно залезть в контроллер, но у меня знаний не хватает для экспериментов. Теперь надо собраться с силами и доделать часы на ИН-12.
Хотел поделиться радостью и отдать под суд часы, сделанные на самых больших советских газорозрядных индикаторах ИН-18, высоты символа 40мм, баллона — 71мм.
Корпус — ольха, покрыта черной морилкой, боковые накладки из латуни, с вытравленными надписями. Но главная, и любимая особенность (которая и нарушила правило "ПРОСТО и со вкусом") это RTC, эти часы помнят время более 10 лет и при перемещении с полки на полку их не нужно перенастривать.
P.S. немного "расшакалил фото"