История стройки. Часть 4: чертежи ростверка1
Всем привет! Сегодня короткий пост, может кто-то будет делать фундамент сам, искать референсы и пригодится.
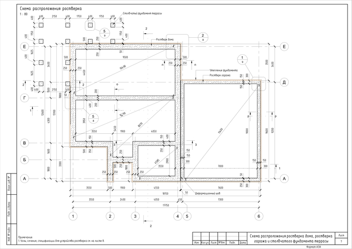
Выкладываю чертежи фундамента свайно-ростверкового под двухэтажный дом из газобетона. Глубина промерзания в регионе 3м.




Делала бригада с прорабом от конторы, где заказывали проект дома. Прораб все размечал и сам следил.
Мусор из ростверка перед заливкой мы заставили убрать, сами проверили. Ещё смотрели, что все нормально связали, а не накидали просто арматуру.
Особо нюансов больше не помню, рыли под коммуникации после заливки. Пол по грунту делали уже после стен.
У гаража и дома фундаменты независимы. Сваи там достаточно близко, две пробурили и залили так, что они слиплись, мы заставили бурить другую рядом, чтобы с прилипшей фундамент гаража не связывали.
Геологию мы не делали, но у нас там суглинок (глина+песок, не знаю правильно ли называю), и очень пучинистый грунт. Весной бетонные дорожки и отмостка, которые сделаны нормально, с подложкой, с арматурой, гуляют так, что глазом видно, но держатся, больших трещин нет. В общественных местах, кое-где прям парковки/дорожки порвало, прям трещины большие, в некоторых местах прям провалы. Этот год был особо какой-то пучинистый.
Не знаю, что с таким грунтом бы нам другое предложили, если бы сделали геологию, думаю было бы то же самое, на словах мы говорили, какой грунт. Мне кажется, плиту бы тем более порвало, но я не разбираюсь. По фундаменту у нас нет претензий, может кто-то что-то покритикует.
UPD: утепление эппс и отмостку делали позже. В конструктив я не вникала, может муж вникал, было давно, поэтому просто выкладываю как есть. Коробка перезимовала 5 сезонов, возможно, в комментариях дело говорят.














