Сообщество - Лига Алкобушников

Лига Алкобушников

11 484 поста 44 675 подписчиков

Популярные теги в сообществе:

24

Автоматика Старт/Стоп. Ректификация

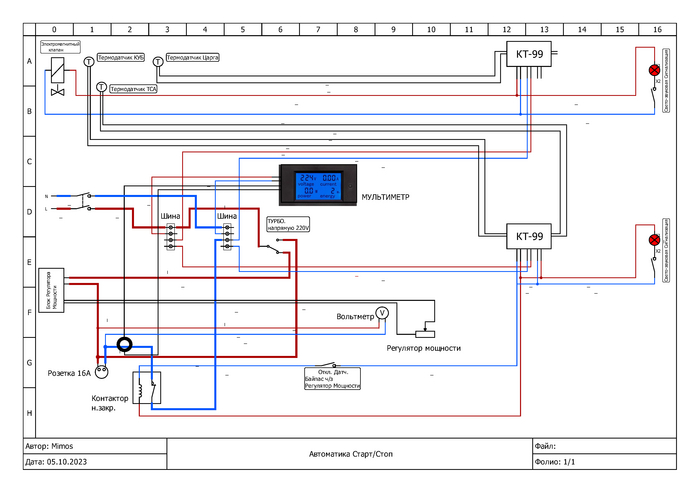
Насмотрелся Ютуба, вдохновился самоделкиными, решил замутить и себе. Автоматика рассчитана на работу с ТЭНом 3,5кВт. Один датчик с верхнего КТ-99 не задействован, можно его использовать где угодно, хоть в воду из дефлегматора кинуть, хоть температуру спирта измерять.

Разъем на электромагнитный клапан- GX12-2L. Для датчиков - разъем питания 5,5x2,1мм. Справа два свето-звуковых сигнализатора со своими выключателями; срабатывают параллельно с термоконтроллерами.

Разъем на электромагнитный клапан- GX12-2L. Для датчиков - разъем питания 5,5x2,1мм. Справа два свето-звуковых сигнализатора со своими выключателями; срабатывают параллельно с термоконтроллерами.

Выключатель "ТУРБО" подает на нагрузку чистое входное напряжение мимо регулятора мощности. Выключатель "ДИТЧИК" отключает действие датчиков на контактор(Опасная штука на самом деле, лучше не пользоваться).

Выключатель "ТУРБО" подает на нагрузку чистое входное напряжение мимо регулятора мощности. Выключатель "ДИТЧИК" отключает действие датчиков на контактор(Опасная штука на самом деле, лучше не пользоваться).

Входной выключатель KCD4 и входной кабель сечением 2,5 кв.мм.

Входной выключатель KCD4 и входной кабель сечением 2,5 кв.мм.

Да, на корпусе сэкономил, Жаба задушила брать дорогой, да и делал первый раз не знал еще толком как все удобней расположить. Радиатора на семисторе должно хватить, т.к. Регулятор на 10 "китайских" киловатт, а юзать я буду 3,5. Если что, долеплю вентилятор.

Да, на корпусе сэкономил, Жаба задушила брать дорогой, да и делал первый раз не знал еще толком как все удобней расположить. Радиатора на семисторе должно хватить, т.к. Регулятор на 10 "китайских" киловатт, а юзать я буду 3,5. Если что, долеплю вентилятор.

Вот схему наваял немного. Заодно в проге для рисования схем немного разобрался. Кривоватенькая, но простая и бесплатная.

Вот схему наваял немного. Заодно в проге для рисования схем немного разобрался. Кривоватенькая, но простая и бесплатная.

Примерная смета. Брал в основном на Алике.

Примерная смета. Брал в основном на Алике.

В работе не тестил еще, но, думаю, все будет работать как задумывалось)

Показать полностью 5
9413

Почему виноград "Изабелла", из которого делают "Лыхны" запрещён в большинстве стран2

По данным продаж сетей магазинов "Пятёрочка" и "Магнит" абхазское вино "Лыхны" является одним из лидеров продаж. У нас, вообще, любят полусладкие вина со времён СССР, когда считалось шиком подать на стол бутылочку "Киндзмараули" или, ещё того круче – "Хванчкары".

В этом смысле "Лыхны" отлично продолжает сформировавшуюся культуру потребления, с той лишь разницей, что приготовлена из сорта "Изабелла", чей аромат не спутать ни с одним другим сортом винограда. Казалось бы, чего ещё желать маркетологам? Я бы сам его пил, если бы не предпочитал сухие вина.

Поэтому я был удивлён, когда узнал, что в большинстве стран Европы этот сорт винограда запрещён. Ходили слухи, о том, что он модифицирован на генном уровне, что вина на его основе содержат метанол и другое. Решил разобраться.

Что такое "Изабелла" и кто его изобрёл?

Сорт этот американский, специально его никто не выводил и уж тем более генной модификации не подвергал, хотя бы в силу того, что появился он в начале XIX века. Версий много, пересказывать тут не буду.

По сути это гибрид получившийся случайно в результате взаимоопыления американского Vitis labrusca с какой-то из вариаций привезённых из Европы Vitis vinifera.

Знатоки утверждают, что вино сделанное из американских сортов, таких как, например, Конкорд, Изабелла, Ниагара, происходящих от Vitus labrusca пахнут "лисой". В США этот вид винограда так и зовут "Fox Vine" – лисья лоза.

Согласно исследованиям калифорнийского университета Дэвиса, аромат этому винограду придаёт метилантранилат – эфир антраниловой кислоты. Эксперт этого университета А. Дж. Винклер утверждает, что аромат, на самом деле, не похож на запах лисы, в нём обладают земляные тона, а слово "лисий" является неудачным клише, прижившимся в языке.

Впрочем, даже земляные тона проявляются только в выдержанных винах (к которым популярное у нас "Лыхны" не относится).

Когда американские сорта начали завозить в Европу, то вместе с ними завезли вредителя – виноградная филлоксера, насекомое, родственное тле, которое губит корни винограда. Американские сорта оказались к ней устойчивы, а вот европейский виноград стал гибнуть.

Поэтому европейские производители начали вести с ним войну, а в некоторых странах даже давали дотацию, за то, чтобы выкорчёвывали виноградники с "Изабеллой".

Так появились мифы о плохом запахе, о дурном вкусе и о повышенном содержании метилового спирта в данном вине. А чуть позже, и о генной модификации.

По мнению того же Винклера, вино из "Изабеллы" имеет один из самых узнаваемых ароматов, т.к. в нём сильно выражены ноты земляники в аромате, но это вряд ли можно считать недостатком.

Виноград с узнаваемым ароматом и устойчивый к болезням – мечта любого маркетолога. Можно понять протекционистскую политику европейских стран вставших на защиту своих сортов типа "Мерло", "Каберне-Совиньон" и др.

Что касается содержания метанола, то в допустимыми нормами в красном вине является 300 мг/л. В винах из "Изабеллы" его всего 150 мг/л. Справедливости ради, в европейских сортах его ещё меньше, но это не означает, что данное вино непригодно к употреблению.

Есть, кстати, и в Европе страны, которые не отказались от "Изабеллы". Например, это вино популярно в Португалии. Да и в мире не страны бывшего СССР являются главным производителем этого винограда. Наибольшую популярность он имеет Бразилии.

Такой вот очерк. Надеюсь было познавательно и интересно узнать, что за такое вино любит большинство россиян, и почему его ругают знатоки.

Вина – не всё, что меня интересует. Возможно вам будет интересно побывать у меня на канале в Телеграм, где я рассказываю о своих поездках и экспедициях (я фотограф и видеограф дикой природы) по заповедникам всего мира. Приглашаю всех интересующихся животными и пейзажами его посетить.

Показать полностью 6
15

Виски зерновой пятилетний Praskoveyskiy. Виски от виноделов

У меня не простые взаимоотношения с продукцией Прасковейского винзавода. С одной стороны, определенная часть молодости прошла под четырьмя звездами их коньяка (загадка, но 3 и 5 были в разы хуже). А с другой, их вина не рекомендовал бы никому, а виски и кальвадос, который они выпустили лет 15-20 назад был пригоден разве что травить врагов. Но блогосфера наполнилась слухами, что они смогли-таки в виски. Я не поверил, но заинтересовался. Спасибо другу за подгон с родины и вот я держу в руках 5ти летний graim whisky Praskoveyskiy.

Из личного архива автора

Из личного архива автора

Тут же вопрос: Nahuiy!? На экспорт!? Чем «Прасковейский» название хуже!? Далее «graim whisky». Зерновой. Понимаю. Whisky. Шотландия. Понимаю. Читаю контрэтикетку. «Произведен по многовековой традиции Ирландии». Не понимаю. С конца 19 века шотландцы и канадцы пишут на своих бутылках Whisky, а ирландцы ― Whiskey. Могли б «е» вставить из уважения к многовековой традиции. В целом бутылка дает больше вопросов чем ответов. Но главное же вкус!

Спойлер – я приятно удивлен. Первый нос: аромат ровный, округлый, ничего из него не выпирает, спирт не звучит совсем. Через минут пять чуть раскрывается, появился спирт, дуб. С более продолжительным временем (ну минут 30-45 у меня ушло на драм) аромат выровнялся и не изменялся, спиртуозность ушла, пришли цветочные нотки сухоцветия, немного булочной выпечки. Наслаждаться в аромате не чем, но и никакого негатива не вызывает.

Вкус мягкий. Не подышав, давал излишнюю сладость. Но она нивелировалась минеральным покалыванием на кончике языка. Лёгкая ацетоновость спирта была в первом глотке, но быстро ушла. Послевкусия практически нет. Вкус со временем особо не менялся, оставался как говорят знатоки «скучным». Конечно же это история для долгой веселой посиделки, для коктейлей. Но иногда можно думаю им смыть усталость рабочего дня. Но это если ничего приличного не нашли!

Всего Вам вкусного в бокале!

Подписывайтесь. Будет интересно!

Настоящая статья не является рекламным материалом и не предназначена для лиц младше 18+

Показать полностью 1
11

Ром с кока-колой

Столкнулся с такой проблемой. При смешивании рома и кока-колы появляется посторонний запах напоминающий Ревит. Эдакий запах аптеки и витаминок. Притом это происходит с разными вилами рома кроме доминиканского рома Barcelo. Bacardi, Plantation, Havana Club все отдает аптекой. Кто еще заметил такую тенденцию? Притом что с колой из Китая, Азербайджана, Монголии, Казахстана и Доброй колой одинаково.

Вот эта штука подбешивает:

Наливаешь из банки пивас, а на бортике остаётся... И твой внутренний жлоб-перфекционист старается коснуться краем банки пива в кружке, чтобы оно туда перебралось, не вылив при этом новую порцию.

Показать полностью 2
3

Спасибо всем

из ваших советов выбрал

Wein 6 pro

Люкссталь 8М

какую комплектацию брать что надо что нет. свои личные предпочтения.

еще раз спасибо.

буду брать на озоне.

https://www.ozon.ru/product/samogonnyy-apparat-lyuksstal-8m-kolonna-3-dyuyma-luxstahl-8m-37-l-1158066995/?asb=N%2B%2FQ3NwTCmyBUe0UA6bKnTsiRB6esOuG%2FRKay%2B%2BlWhA%3D&asb2=1955SBKZgKqLCzG25xygndC5aY5g7JDJM_BdJKIsYvfV8tA0UxpwcAsjWLQmDqVG&avtc=1&avte=2&avts=1696355262&keywords=люкссталь+8м+самогонный+аппарат

https://www.ozon.ru/product/samogonnyy-apparat-wein-6-pro-37l-kolonnogo-tipa-2-dyuyma-s-uzlom-otbora-2-v-1-distillyator-veyn-6-303162048/?asb=dQf9MMZwQfMUL4fpp6us3claXaPCoFNbyoXTeKMQFvQ%3D&asb2=Qp9PimoNujrVfaDuDJvTSYNnAuKkSPFZ9kwDIV3RjAdoE8T7KuXmcmjOL93oVwND&avtc=1&avte=2&avts=1696355099&keywords=Wein+6+pro

норм или что то я упустил

Показать полностью
Отличная работа, все прочитано!