
Автомобильное сообщество
Ваз 11183
Приветствую вас, дорогие пикабутяне. Нужна ваша помощь в ремонте моего жоповоза, а именно калина 1 2006 года выпуска.
Пару месяцев назад с наступлением жары появилась особенность - машина просто выключается как только стрелка температуры переваливает слегка за 90°, неважно стою я на светофоре или еду на 2й или 3й передаче. Просто отключается и больше не заводится до тех пор пока не остынет до 70°.
для устранения этой причины поочередно менял и смотрел как ведет себя машина следующие зап.части: 1. Датчик температуры охлаждающей жидкости- не помогло.
2. Датчик температуры двигателя - не помогло.
3. Катушка зажигания, свечи и высоковольтные провода - помогло.
НО, радость длилась не долго. Пару недель я поездил и машина снова начинает отключаться, но теперь ей не надо остывать до 70°, как это было в предыдущем случае, а просто дрочишь стартер ключем зажигания и она заводится- когда с пятого раза, а когда с десятого.
Живу в мухосранске, мастеров сильно толковых нет.
У кого какие идеи на этот счет, буду премного благодарен.
(заметил маленькую особенность, когда машина отключилась, если со свечей поснимать провода и сразу воткнуть их обратно, то с 90% вероятностью машина снова заведется. Но провода эти почему то очень горячие)
На УАЗе будут собирать рамный внедорожник с корнями Toyota
Sollers ST9 (переименованный JAC T9), — это рамный пикап, производство которого начнется на УАЗе в третьем квартале 2025 года.
Автомобиль оснащен 2-литровым бензиновым турбомотором, работающим в паре с 8-ступенчатой автоматической коробкой. Полный привод и клиренс 210 мм обеспечивают высокую проходимость.
Габариты: длина 5,3 м, ширина 2 м, размеры грузового отсека — 1520 х 1590 х 470 мм, грузоподъемность до 1 тонны.
Машина получит кожаный салон с мультимедийной системой (экран 10,4 дюйма, поддержка Apple CarPlay и Android Auto). В салоне — виртуальная приборная панель, двухзонный климат-контроль, электрорегулировка сидений. Безопасность обеспечивают фронтальные и боковые подушки, шторки безопасности и камеры кругового обзора.
Ранее сообщалось, что мотор для внедорожника на базе этого пикапа тоже будут собирать в РФ. Его мощность уменьшится до 200 л.с. с 224 л.с. на китайском исходнике.
Еще больше интересных видео в моем канале
Как наказать страховую за "60 минут" на полмиллиона
или - Не уложился оформляя электронное извещение о ДТП в 60 минут? Иди лесом, отвечает страховая и снижает лимит выплаты с 400 тысяч до 100.
Пост о том, как с помощью потребительского экстремизма попытаться получить адекватную выплату от страховой. Может и не прокатить. Не панацея, но попытаться стоит.
Для ЛЛ: пост о правильной подаче документов в страховую компанию, судебных разбирательствах и, в конкретном случае, получении более полумиллиона рублей вместо фиксированных ста тысяч. Душнота, в общем.
Бери сто тысяч и делай, что хочешь, закон на нашей стороне. Примерно так ответила ск одному моему доверителю, который не смог за час оформить извещение о ДТП с электронной фиксацией. Вернее говоря оформлял не доверитель, а аваркомы. И что-то пошло не так. Долго ехали, потом возник спор с виновником ДТП кто не прав и кто будет платить за оформление еврика. Потом лежало приложение и лажало электронное позиционирование, видимо в силу борьбы с НЛО. В общем оформление заняло около полутора часов.
И формально ск права, ибо законодатель защитил её интересы нормативными актами. Трудно понять каким образом влияют лишние полчаса на лимит выплаты, но мудрые головы могут это объяснить. И даже оформить постановлением правительства об утверждении правил предоставления страховщику информации о дтп. Вот, кстати, и это постановление с правилами, внимание на п. 4 именно правил.
"..4. Данные о дорожно-транспортном происшествии, полученные с использованием программного обеспечения, передаются водителем (пользователем программного обеспечения) в систему обязательного страхования не позднее чем через 60 минут после дорожно-транспортного происшествия...".
Мне попадались аваркомы, утверждающие, что речь идёт о 60 минутах на процесс именно оформления, и неважно когда было ДТП. Как видим это не так, отсчёт конкретно от времени случившегося ДТП. Так что не ведитесь.
На возмущение со стороны автолюбителей большие дяди пояснили, что страховая, с её многомиллиардными оборотами, здесь слабая сторона и подлежит защите. Слабая страховая и сильное физлицо - потерпевший в ДТП, логично.
Что же делать в таком случае? И тут на помощь приходит наш друг потребительский экстремизм. С кличем за Муад'Диба, обвязав голову платком с цитатами из законодательства об ОСАГО вступаем на путь священного похода против неверно трактующих нормы закона.
Самое узкое место это выбор формы возмещения - тут страховая может насадить, но об этом ниже. Требуем возмещение в натуральной форме, сиречь ремонт.
Все сказки, что у нас нет СТОа и ремонт не делаем слушать не надо.
Когда не прокатит:
- если величина ремонта выше рыночной стоимости ТС. Тут однозначно выплата денег, с учётом износа ТС и лимита в 100 тысяч;
- если страховая пойдёт ва-банк и выдаст направление на ремонт, попросив осуществить доплату за ремонт свыше лимита в сто штук. Это в большинстве случаев фиаско, хотя бывали в моей практике и удачные обходы, но это прямо везение в основном. Если интересно и будет запрос в комментах, то отпишусь отдельным постом.
Относительно подачи документов есть у меня подробные пояснения в серии ДТП для чайников, рекомендую ознакомиться.
Вкратце: подача доков в офисе СК занятие для сильных духом и разумом.
Рекомендую подачу почтой, ценное письмо с описью.
Что нам понадобится: копия паспорта собственника и ПТС (если ТС не зарегистрировано, то добавляется договор купли-продажи, оригинал при возможности), а также оригинал еврика, бланк заявления о страховом случае и заявление об организации ремонта и осмотра ТС.
Заверяем у нотариуса ПТС. Если электронный ПТС, то хватит обычной светокопии, но в этом случае лучше приобщить и заверенную копию СТС, это такая розовая ламинированная бумажка.
Копия паспорта (страницы с фото и пропиской) в заверении нотариусом не нуждается. Верховный суд по данному поводу высказался однозначно.
Требование страховой о предоставлении нотариально заверенной копии паспорта не основаны на законе и легко разбивается, но даёт нам возможность создать конфликт на ровном месте и получить отказ в урегулировании страхового случая, вместо нежеланного направления на ремонт.
Бланк заявления плюс-минус прост в заполнении,
но есть нюансы, поэтому образец по некоторым пунктам
Доверитель подавал документы с моей помощью, поэтому сразу ушел такой вариант. Если вы спохватились после самостоятельной подачи, выбрав форму возмещения деньгами, то до момента выплаты можете кинуть на электронную почту заявление о смене формы возмещения.
Заявление на организацию ремонта и осмотра ТС оформляю примерно так:
Если нам свезло, то страховая шлёт письма:
- о невозможности осуществления ремонта в силу отсутствия соответствующих СТОа;
- о необходимости предоставления банковских реквизитов для выплаты;
- о необходимости предоставления нотариально заверенной копии паспорта.
Всю эту макулатуру игнорируем, в переписку не вступаем, а главное ничего не посылаем!!! Иначе 20-дневный срок рассмотрения может пойти заново.
Если процесс идёт по плану, то по прошествии 20 календарных дней (без учёта праздничных дней, которые являются именно выходными) ск кидает нам деньги почтовым переводом в отделение по месту жительства.
Заказываем деньги на почте, получаем перевод.
Несмотря на требования закона об организации ремонта ск частенько предпринимают попытки обойтись малой кровью и кинуть потребителя копейку. В случае лимита по ДТП в 100 тысяч правильным будет выслать клиенту направление на организацию ремонта с предложением доплатить сумму, превышающую лимит. Однако, по неведомой причине, СК стараются избегать данных мероприятий. Тем самым нарушая требования законодательства об организации ремонта, которые мы и будем отстаивать. А точнее мы настаиваем на возмещении в полном объеме убытков от ДТП, в связи с отказом в организации ремонта.
Пишем претензию, кидаем на электронную почту. Обыкновенно электронки указаны на сайте РСА в разделе "действительные члены РСА".
Сроки ответа на претензию обозначены в ст. 16 закона о финансовом уполномоченном:
"..2. Финансовая организация обязана рассмотреть заявление потребителя финансовых услуг о восстановлении нарушенного права и направить ему мотивированный ответ об удовлетворении, о частичном удовлетворении или об отказе в удовлетворении предъявленного требования (за исключением заявления, содержащего требование, указанное в части 1.1 статьи 15 настоящего Федерального закона):
1) в течение пятнадцати рабочих дней со дня получения заявления потребителя финансовых услуг о восстановлении нарушенного права в случае, если указанное заявление направлено в электронной форме по стандартной форме, которая утверждена Советом Службы, и если со дня нарушения прав потребителя финансовых услуг прошло не более ста восьмидесяти календарных дней;
2) в течение тридцати календарных дней со дня получения заявления потребителя финансовых услуг о восстановлении нарушенного права в иных случаях. Если последний день срока приходится на нерабочий день, днем окончания срока считается ближайший следующий за ним рабочий день...".
Запоминаем, что ск обязана уложиться в указанные сроки. Если не успела, то в соответствующую дату кидаем обращение финику.
К оформлению претензий есть определенные требования, желательно их изучить, ознакомившись на сайте финика с Положением о стандартных формах заявления о восстановлении нарушенного права, направляемого потребителем финансовых услуг в финансовую организацию в электронной форме, но мы же потребительские экстремисты, верно? Сделаем по проверенному временем образцу
Насчёт суммы есть свои тонкости, но кому это интересно. Дожидаемся отрицательного ответа, либо срока на ответ. Кидаем финику обращение аналогичного содержания. Получаем отказ, идём в суд.
Получаем решение
Вот как-то так и заканчивается эта история. Ряд моментов не отражен либо освещен вкратце, прошу особо не ругаца, устал слегка.
Если что электронка в профиле, открыт к общению и для помощи.
P.s. потребительский экстремизм это ужасно, так поступать не надо, редакция это всячески осуждает. Надо поступать по закону
P.p.s. по наколке камрада https://pikabu.ru/@RedKomisar, накидаю ещё про сроки:
- рассмотрение у финика 15 рабочих дней, плюс по 10 рабочих дней на экспертизу по его инициативе. В моей практике количество экспертиз доходило до трёх, итого общий срок рассмотрения обращения финомбудсменом составил два месяца;
- рассмотрение дела в суде первой инстанции от поступления иска до вступления решения в силу от двух месяцев (при прокачанном скиле везения) до девяти месяцев, и более. В моей практике рекорд был три судьи и полтора года. В среднем полгода на процесс в первой инстанции может уйти. Апелляция в среднем добавляет ещё 3-4 месяца.
В случае с выложенным в посте решением суда весь процесс занял около 9 месяцев с момента ДТП, из них 5 пришлось на суд
Лада Калина. Ошибка по вентилятору
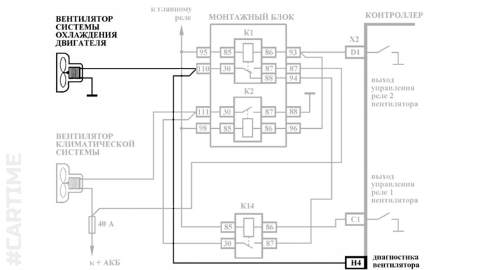
Всем привет, и сегодня у нас в гостях автомобиль Лада Калина с жалобой на то, что на его приборке горит лампа чек.
Со слов хозяйки автомобиля, это ошибка по вентилятору охлаждения, хотя вентилятор исправно работает, о чём её заверили в другом автосервисе. Почему же тогда горит ошибка? Подключим сканер, и во-первых, убедимся, что ошибка действительно по вентилятору.
А во-вторых убедимся, что вентилятор действительно работает, поуправляя им в режиме управления исполнительными механизмами через диагностику ЭБУ.
На этом этапе важно не просто повключать вентилятор (или вентиляторы, если на машине их два), но и убедиться в том, что вентиляторы включаются в правильном порядке (в правильной комбинации) и на правильную мощность. Конкретно на этом автомобиле (Лада Калина с ЭБУ Bosch M17.9.7 с кондиционером и двумя вентиляторами), при активации первого реле вентилятора (первой скорости вентилятора), должны включиться оба вентилятора. Однако наружный вентилятор (под бампером) должен включиться на полную мощность, а внутренний (под капотом) только наполовину. В этот момент питание наружного вентилятора осуществляется через предохранитель и реле от аккумулятора, а питание внутреннего, для снижения мощности, дополнительно ещё и через понижающий напряжение резистор.
При включении реле вентилятора 2 (второй скорости вентилятора), оба вентилятора должны крутиться на полную мощность. Реле вентилятора 1 при этом активируется автоматически.
Но это конкретно эта Лада Калина, а бывают машины, на которых при включении первой скорости, включается только один вентилятор, а при включении второй — оба. Бывает, что для понижения мощности, питание вентиляторов осуществляется последовательно, т.е. на первой скорости оба крутятся наполовину мощности (12 вольт на двоих), а на второй — оба на полную (12 вольт каждому). Или если вентилятор один, то на первой скорости он включается на половину мощности, опять же благодаря резистору, а на второй на полную. Бывают машины, на которых один вентилятор и только одна скорость. Бывают машины, на которых мощность вентилятора задаётся ЭБУ в процентах, а напряжение меняется с помощью ШИМ (широтно-импульсной модуляции). И ещё куча разных комбинаций и вариантов. Нужно знать, как устроен конкретный исследуемый автомобиль. Вот вам например схема с последовательным и параллельным включением вентиляторов, актуальная для некоторых Калин.
В нашем сегодняшнем случае, по факту, на первой скорости крутится только наружный вентилятор на полную мощность, а на второй — крутятся оба. Незнающий человек может подумать, что так и должно быть и всё работает исправно, но нет. Схема электропроводки на конкретный экземпляр говорит нам о другом. Да и сам ЭБУ не просто так ведь светится ошибкой?
А как именно ЭБУ узнаёт о том, что вентиляторы работают неправильно, а следовательно по линиям их питания или массы следует поискать проблемы? Всё очень просто. На разъёме ЭБУ (напомню, что сегодня это Bosch M17.9.7) помимо проводов, по которым ЭБУ управляет реле вентилятора, есть провод, который соединён с силовым выходом реле второго вентилятора. По этому проводу и осуществляется диагностика.
Аналогичная схема реализована на ЭБУ M74 и M75, например, но неактуальна для более старых ЭБУ: Bosch M7.9.7 и M1.5.4; M73 и Январей 7.2 и 5.1. Вот например схема вентиляторов на М74. Резистора нет, а первая скорость реализована через последовательное подключение.
Отдав команду на включение вентилятора, ЭБУ ждёт изменений на питающем второй вентилятор проводе. В момент, когда вентиляторы выключены, на этом проводе висит масса, приходящая на него через обмотку электродвигателя.
При включении первой скорости вентилятора, на проводе появляется плюс, прошедший на него через резистор или первый вентилятор.
А при включении второй скорости, на проводе появляется напряжение бортовой сети.
Именно по этой логике, ошибка появится не только при неисправности цепи ПИТАНИЯ вентилятора, но и при неисправности его массы, самого вентилятора, электропроводки или резистора. Выход из строя любого элемента системы приведёт к разрыву цепи контроля, и как следствие к нарушению логики и возникновению ошибки. Потому она так и называется — неисправность питания/массы вентилятора охлаждения. Сегодня виной всему был вышедший из строя резистор.
Если резистор не сгнил, а сгорел, замене так же подлежит и сам вентилятор охлаждения, ведь причина выхода из строя резистора — проходящий через него излишне высокий ток нагрузки, вызываный износом вентилятора.
Если заменить сгоревший резистор без вентилятора, то менять его придется снова и снова каждые несколько дней, а может быть часов или минут. Утверждение актуально и для мотора отопителя (печки).
Спасибо всем кто дочитал — буду рад подписке. 😉
Ваш #CARTIME
Ну а предыдущие посты о диагностике и ремонте автомобилей можно почитать в серии: Статьи
Ответ на пост «Chevrolet Monza пробег: 38 700 км»1
Мне одному кажеться, что данный пост вводит людей (потенциальных покупателей, т.к. аккаунт @CarexKorea54 коммерческий) в заблуждение, а именно:
1)
Chevrolet Monza 2022 года — отличный выбор для тех, кто ищет надежный и стильный автомобиль!...
...Почему же стоит рассматривать покупку из Кореи? 🌏 Автомобили из Кореи славятся высоким качеством сборки, хорошим техническим состоянием и более выгодной ценой по сравнению с аналогами на местном рынке. Кроме того, корейские авто часто имеют меньший износ и проходят тщательную проверку перед продажей, что обеспечивает долгий срок службы и надежность. 🔧
Из такого описания складывается впечатление, что данный автомобиль привезен из Кореи, т.к. ТС делает упор на то, что привоз из Кореи - максимальной выгодное предложение. Автомобили от туда приходят в хорошем техническом состоянии, с хорошей сборкой, с маленьким износом, что обеспечивает долгий срок службы и надежность.
И по заявлению ТС, данный автомобиль Шевроле Монза - как раз такой. А именно - надежный и из Кореи. Последнее прямо не указывается, но а откуда он может быть, если в тексте три раза упоминается Корея и аккаунт ТСа включает Корею?
Но на самом деле данный автомобиль не из Кореи, а из Китая.
Во-первых, на представленных фото надписи на иероглифах сделаны на китайском языке, а во-вторых сборка Монзы осуществляется на заводе САЙК-ГМ в Китае https://en.wikipedia.org/wiki/Chevrolet_Monza_(China)
В своем ТГ-канале ТС указывает тего что данный авто из Китая.
2)
🚗 Chevrolet Monza 2022 года — отличный выбор для тех, кто ищет надежный и стильный автомобиль! ✔️ Этот модельный год отличается современным дизайном и просторным салоном. Пробег всего 38,700 км говорит о бережной эксплуатации, а отсутствие ДТП и окрасов подтверждает хорошее состояние машины.
Пробег 38,700 км говорит о бережной эксплуатации - данная фраза лишь только говорит о пробеге автомобиля. О бережной эксплуатации пробег ничего не скажет. Пробег может быть как трассовым, так может быть городским/смешанным. А это разные условия. Или данный авто мог передвигаться с прицепом/в сложных условиях/такси или доставка. А еще пробег может быть скручен. Комплексный осмотр человеком с опытом может дать заключение о бережной эксплуатации. Просто цифра пробега - нет.
Отсутствие ДТП и окрасов подтверждает хорошее состояние машины. - во-первых данное заявление ничем не подкреплено, а во-вторых отсутствие ДТП не потверждает хорошее состояние автомобиля. Вполне возможно предыдущий собственних мог не заботиться об автомобиле: мог несвоевременно проводить ТО, перевозить длиномерные грузы, курить в салоне (не забываем авто из Китая) и т.д.
3) Офтопом хотел обратить внимание @CarexKorea54 на отсутствие специального тега "Контент нейросетей" - для постов, состоящих из контента, сгенерированного нейросетями.
Субъективно текст поста сгенерирован ИИ. Проверил несколькими детекторами - показали 50/50% и 90%, что текст сгенерирован ИИ.























































